شرح پروژه:

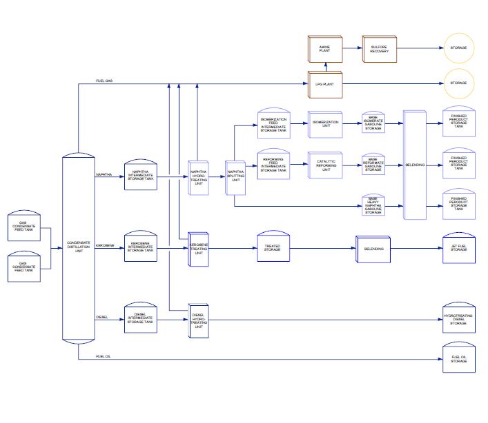
خوراک اين واحد 000 120 بشكه ميعانات گازی از پارس جنوبی می باشد. اين واحد شامل واحدهای فرآيندی، سرويس های جانبی، واحدهای Offsite و تأسيسات زيربنائی می باشد. محصولات نهايی از پالايشگاه شامل موارد زير می باشد:

  • گاز مايع LPG.
  • بنزين بدون سرب.
  • سوخت جت.
  • سوخت ديزل.
  • نفت كوره.
  • سولفور مايع.

با توجه به در نظر گرفتن خصوصيات خوراک و محصول و اصول طراحی، واحدهای فرآيندی زير پيش بينی می شود:

  • واحد تقطير (CDU).
  • واحد تجزيه نفت (NSU).
  • واحد تصفيه هيدروژنی نفت (NHU).
  • واحد ايزومريزاسيون نفت سبک (ISOM).
  • واحد تبديل كاتاليستی نفت (CCR).
  • واحد تصفيه نفت سفيد (KTU).
  • واحد تصفيه هيدروژنی ديزل (DHU).
  • واحد بازيابی سولفور و شيرين سازی گاز.
  • واحد بازيابی گاز مايع LPG.
  • واحدهای سرويس های جانبی.

محدوده کار:

  • مطالعات امكان سنجي اوليه.
  • مديريت طرح (MC) شامل هماهنگی در خصوص بررسی راه های دسترسی، ارزيابی زيست محيطی، شرايط آب و هوايی، مطالعات زمين شناسی، مطالعات زلزله و نقشه برداری.
  • HSE.
  • مطالعات امكان سنجی.
  • مذاكرات با صاحب تكنولوژی و تأمين كننده اعتبار.
  • تهيه طرح توجیهی و گزارش امكان سنجی فنی و اقتصادی.
  • تهيه شرح كار مهندسی پايه و تفصيلی و تأمين كالا و اجرا.

گالری تصویر

تماس با ما